P9009汽车电子泵(24v)
发表时间:2018-07-18

产品详情:
产品应用: | 产品特征: |
■新能源热管理系统 | ■重量:1.8kg |
■新能源汽车电机电控冷却循环 | ■防护等级:IP67 |
■绝缘等级:H级 | |
■使用寿命:12000小时 | |
| |
使用条件: | 特点: |
■环境温度:-40 ~ 125℃ | ■采用无刷电机,寿命长 |
■介质温度:-40 ~ 100℃ | ■功耗低、流量大 |
■介质:防冻液 | ■便于安装 |
| ■使用场所:车载 |
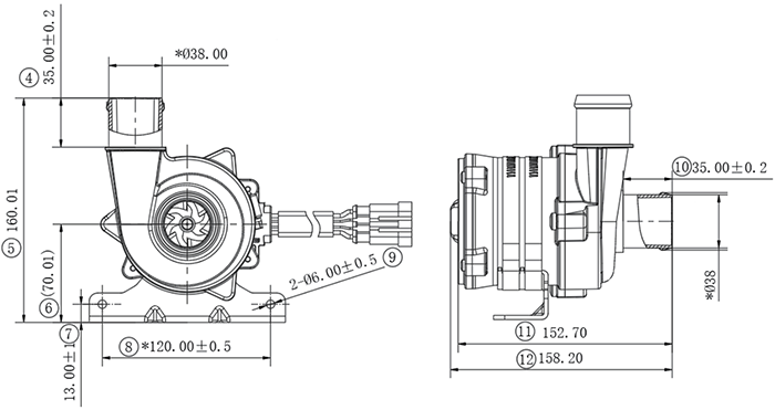
| 外观尺寸: |
|
|
曲线图: |
|
| 型号 | 额定电压 | 使用电压范围 | 额定电流 | 最大扬程 | 最大流量 | 额定功率 | 最大噪音 |
| P900924G02 | V | V | A | m | L/min | W | dB(A) |
| 24 | 16-32 | 14.5 | 13 | 190 | 360 | ≤60 |



深鹏水泵-张先生
深鹏科技 - 张先生